Циклон СК-ЦН-34-1600 в Рудном

СК ЦН 34 1600 1П циклон
Циклон СК-ЦН-34-1600-1П
Чертеж циклона СК-ЦН-34-1600-1П
Циклон СК-ЦН-34-1600-1П чертеж
СК ЦН 34 1600 1П циклон
Чертеж циклона СК-ЦН-34-1600-1П
Цена
2 023 130 ₸
От 2 023 130 ₸ с доставкой до г.
Логотип WhatsApp Связаться
по WhatsApp
Промышленный циклон СК-ЦН-34-1600

Технические характеристики

МаркаСК-ЦН-34-1600
Тип циклонаЦиклон СК-ЦН
ВидСК-ЦН-34
Массовая концентрация пыли в очищаемом газе, не более: для слабослипающихся пылей1000 г/м³
Массовая концентрация пыли в очищаемом газе, не более: для среднеслипающихся пылей250 г/м³
Температура рабочей среды до400 °С
Коэффициент гидравлического сопротивления1270
Внутренний диаметр корпуса циклона ЦН1600 мм
Количество циклонов в группе1 шт
Площадь сечения цилиндрической части корпуса (группы корпусов)2.01 м²
Скорость1.5-3.5 м/с
Рабочее сопротивление1886-10268 Па
Камера очищенных газовНет
Вид пылесборного бункераПирамидальный
Количество пылесборных бункеров1 шт
Объем пылесборного бункера1.95 м³
Размер пылевыгрузного окна бункера400х400 мм
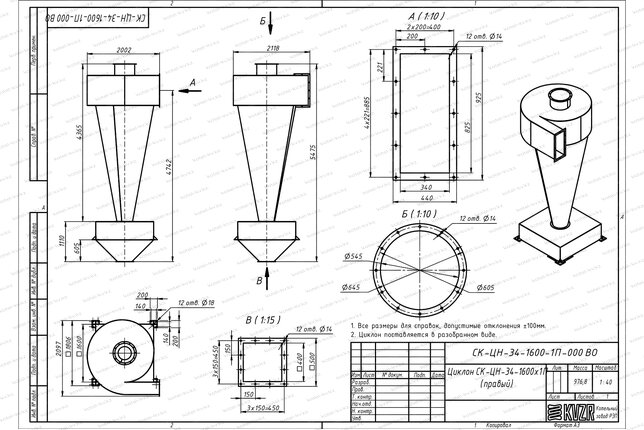
Размеры циклона ЦН (с учетом бункера): длина*ширина*высота2002х2115х5475 мм
Масса972 кг
Производительность циклона10850-25320 м³/с

Промышленный циклон СК-ЦН-34-1600 в Рудном

Котельный завод г Рудный производит огромный выбор циклонов СК-ЦН-34-1600 для промышленной очистки воздуха от пыли и ее сбора на вредном производстве и в промышленных котельных. На сайте нашего котельного завода вы можете подобрать и купить циклон СК ЦН 34 1600 по низкой цене. Менеджеры нашего завода дадут консультации по подбору оборудования и помогут в расчете производительности агрегата для вашего производства.

Назначение и сфера применения

Циклоны СК-ЦН-34-1600 предназначены для очистки сажегазовых и сажевоздушных смесей от твёрдых частиц при пневмотранспортировке, аспирации и пневмоуборке сажевого (технического) углерода, очистка газового теплоносителя после распылительных сушилок дрожжевого производства гидролизных предприятий, эффективные при очистке газов от мелко-дисперсных пылей. Возможно использование во взрывоопасной, коррозионной среде.

Сфера применения

  • производство технического углерода;
  • установка каталитического крекинга нефтепродуктов, дегидрирования бутана;
  • сажевое производство.

Технические характеристики циклона СК- ЦН-34-1600

  • допустимая запылённость газа 1600 г/м3;
  • температура очищаемого газа – до 250С;
  • рекомендуемая скорость очищаемого газа на входе в циклон – 10-17 м/сек;
  • коэффициент гидравлического сопротивления (на входе) – 22,6;
  • степень очистки (от пыли d=10 мкм, плотностью 2,7 г/см3) – до 97%.

Циклон СК-ЦН-34-1600 основные размеры в мм

D d d1 a L b hфл
1600 544 366 824 960 342 320 160 3376 824

Устройство и описание

Конструкция циклона для пыли СК ЦН 34 1600 спирально-коническая разработана НИИОГазом, цифра 34 обозначает соотношение диаметров выхлопной трубы и конической части циклона. Аппараты состоят из удлиненного конического корпуса с входным и выходным патрубками, спирального раскручивателя потока воздуха, а также затвора для удаления скопившейся пыли. Для большего удобства монтажа и эксплуатации, а также совместимости с различными системами вентиляции эти устройства могут иметь правое или левое закручивание потока. Правым принято называть вращение газового потока в циклоне по часовой стрелки, если смотреть со стороны выхлопной трубы, левым - вращение против часовой стрелки. В зависимости от свойств пыли и его дисперсного состава частиц данные циклоны рекомендуется использовать в качестве первой ступени очистки воздyxа.

Принцип работы

Принцип работы циклона для очистки воздуха на производстве СК-ЦН 34 1600 центробежно-гравитационный. Во входной патрубок поступает пылевоздушный поток, завихритель придает ему направление движения, при этом скорость потока в конусе увеличивается с продвижением составляющих мелких фракций к бункеру циклона. Частицы пыли прижимаются благодаря инерции к стенкам и осыпаются вниз, а очищенный воздух направляется вверх, и выходит через выхлопную трубу.

Эксплуатация циклона СК ЦН 34 1600

  1. На эффективность работы агрегатов существенное влияние оказывает режим работы аппарата. Для обеспечения наиболее высоких коэффициентов очистки воздуха режим работы должен быть стабильным, изменения в расходе воздуха не должно превышать 10-12%.
  2. Наиболее характерным нарушением нормальной работы циклонных установок является истирание стенок конуса абразивной пылью и налипание. С увеличением диаметра агрегата и понижением скорости воздушного потока на входе, истирание стенок и налипание пыли уменьшается.
  3. Количество воздушного потока, который поступает на входе, должно находиться в пределах, предусмотренных для данного аппарата.
  4. При уменьшении количества воздуха снижается скорость его движения, что приводит к снижению коэффициента очистки.
  5.  При значительном увеличении количества воздуха возникает гидравлическое сопротивление, что может привести к уменьшению коэффициента очистки.

Эффективность очистки пылеуловителем обеспечивается выполнением следующих мероприятий:

  • осмотр и ремонт циклонного пылеуловителя СК-ЦН-34 1600 производятся регулярно, согласно производственным условиям;
  • отсутствуют подсосы воздуха в элементы аппарата;
  • запорно-разгрузочный шибер сборного бункера герметичен;
  • бункер пылеуловителя регулярно очищается;
  • при остановке агрегата полностью опорожняется сборный бункер, для исключения увлажнения уловленной пыли и образования завалов и пробок в тракте;
  • скорости движения очищаемого потока в пылеуловителе для абразивной среды 2-2.5 м/с, для не абразивной среды 2-6 м/с.

Подбор пылеуловителя

Подбор необходимой модели осуществляется исходя из производительности, размеров очищаемого помещения, типа и выделяемого объема загрязнений.

Купить циклон СК-ЦН-34-1600

Для того, что бы купить циклон СК-ЦН-34-1600 в Рудном вы можете сделать заявку по телефону +7-7172-69-59-73, либо оформить заявку онлайн. Менеджеры дадут консультацию по подбору вспомогательного оборудования для выбранных вами моделей и рассчитают стоимость доставки. Транспортирование котлоагрегата и вспомогательного оборудования до объекта осуществляется автомобильным транспортом.

Дополнительно потребуется

Мигалка затвор
Цена 105 440 тг.

Опросные листы

Все опросные листы
Опросный лист на циклоны
Заполнить опрос
Опросный лист на опоры циклона
Заполнить опрос

Собственное производство

Котельный завод производит
  • Паровые котлы от 300 кг до 2.5 тонны пара в час
  • Промышленные водогрейные котлы от 150 КВт до 4 МВт на всех видах топлива
  • Механические топки ТШПМ, шурующая планка и ТЛПХ, ленточное полотно прямого хода
  • Циклоны для очистки воздуха и дымовых газов для производств и промышленных отраслей
  • Транспортеры и системы топливоподачи и шлакоудаления
Подробнее о производстве
Собственное производство
Смотреть видео
с производства